- Messages
- 1
- Likes
- 0
- City
- Lafayette
- State
- IN
- Country
- United States
- What I Drive
- 2014 Fiesta SE 1.6L NA Automatic
Hello,
2014 Ford Fiesta SE 1.6 Liter Naturally Aspirated Automatic transmission Sedan.
I can't get my fuel system to work. I have replaced the fuel pump twice and the FPDM (Fuel Pump Driver Module).
I first replaced the fuel pump and it actually ran for about 30 minutes and I thought I was good. The next day it didn't work. I replaced it again thinking it was a lemon because I bought it off amazon (I got the second from O'Reilly's) and it still didn't work. I tested resistance to ground on the pump negative pin and found it was high so I thought it was the FPDM and replaced it. After I replaced the FPDM and cleared the codes the pump ran for about 10 seconds and the car started and quit shortly after.
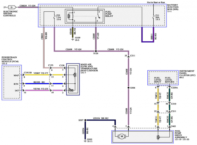
My most recent troubleshooting step was to look through the wiring and connector diagrams and jump/short the chassis ground and 12V+ supply that goes to the FPDM with the "managed" power pins for the fuel pump (i.e. just give the fuel pump straight power and ground), and it ran. I started the car it idled and I could rev it fine.
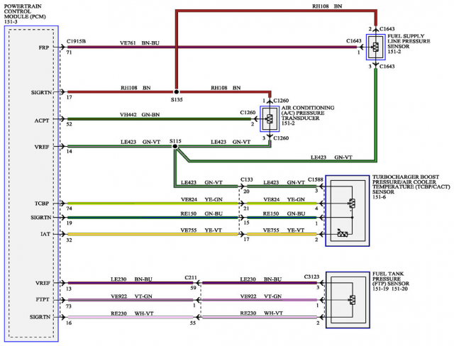
At this point I think I can be reasonably confident that the pump, FPDM, and the wiring between the pump and FPDM is fine. Currently the only other "culprits" i have in mind are: the PCM (powertrain control module), RCM (Restraint Control Module), and the wiring between the FPDM and the PCM.
I have been getting P0627 (Fuel Pump Control Circuit Open). I briefly got P2195 (O2 Sensor Signal Stuck Lean) but I figure that's because of the fuel delivery issues.
I haven't gotten any codes about the RCM, but I know that the RCM can immobilize the car.
I have tested continuity between the FPM pin on the FPDM connector and the FPM pin on the PCM connector. I have tested continuity between the FPC pin on the FPDM connector and the FPC pin on the PCM connector. (The two wires going between the PCM and FPDM have good continuity when measured from their connectors).
At this point I'm leaning towards getting a new PCM, however i've already thrown two (three if you count the repeat fuel pump) parts at this and I don't want to just buy the next part that it could be. Any help is appreciated.

2014 Ford Fiesta SE 1.6 Liter Naturally Aspirated Automatic transmission Sedan.
I can't get my fuel system to work. I have replaced the fuel pump twice and the FPDM (Fuel Pump Driver Module).
I first replaced the fuel pump and it actually ran for about 30 minutes and I thought I was good. The next day it didn't work. I replaced it again thinking it was a lemon because I bought it off amazon (I got the second from O'Reilly's) and it still didn't work. I tested resistance to ground on the pump negative pin and found it was high so I thought it was the FPDM and replaced it. After I replaced the FPDM and cleared the codes the pump ran for about 10 seconds and the car started and quit shortly after.
My most recent troubleshooting step was to look through the wiring and connector diagrams and jump/short the chassis ground and 12V+ supply that goes to the FPDM with the "managed" power pins for the fuel pump (i.e. just give the fuel pump straight power and ground), and it ran. I started the car it idled and I could rev it fine.
At this point I think I can be reasonably confident that the pump, FPDM, and the wiring between the pump and FPDM is fine. Currently the only other "culprits" i have in mind are: the PCM (powertrain control module), RCM (Restraint Control Module), and the wiring between the FPDM and the PCM.
I have been getting P0627 (Fuel Pump Control Circuit Open). I briefly got P2195 (O2 Sensor Signal Stuck Lean) but I figure that's because of the fuel delivery issues.
I haven't gotten any codes about the RCM, but I know that the RCM can immobilize the car.
I have tested continuity between the FPM pin on the FPDM connector and the FPM pin on the PCM connector. I have tested continuity between the FPC pin on the FPDM connector and the FPC pin on the PCM connector. (The two wires going between the PCM and FPDM have good continuity when measured from their connectors).
At this point I'm leaning towards getting a new PCM, however i've already thrown two (three if you count the repeat fuel pump) parts at this and I don't want to just buy the next part that it could be. Any help is appreciated.



